2020-08-19 20:37:04 sunmedia 3352
(一)工作原理
电气阀门、气动阀门定位器是气动调节阀的重要附件和配件之一,起阀门定位作用。
电气阀门、气动阀门定位器是按力矩平衡原理工作的,当通入波纹管2的信号压力P1增加时,使主杠杆3绕支点转动,使喷嘴挡板9靠近喷嘴,喷嘴背压经单向放大器8放大后,通入到执行机构薄膜室的压力增加,使阀杆向下移动。并带动反馈杆绕支点转动,反馈凸轮也随之作逆时针方向转动,通过滚轮使副杠杆4绕支点转动,并将反馈弹簧拉伸,弹簧对主杠杆3的拉力与信号压力用在波纹管上的力达到力矩平衡时,仪表达到平衡状态。执行机构的阀位维持在一定的开度上,一定的信号压力就对应于一定的阀位开度。以上作用方式为正作用,若要改变作用方式,只要将凸轮翻转,A向变成B向等,即可。所谓正作用定位器,就是信号压力增加,输出压力亦增加;所谓反作用定位器,就是信号压力增加,输出压力则减少。一台正作用执行机构只要装上反作用定位器,就能实现反作用执行机构的动作;相反,一台反作用执行机构只要装上反作用定位器,就能实现正作用执行机构的动作。
(二)结构原理
电气阀门、气动阀门定位器接收来自控制器或控制系统中4~20mA等弱电信号,并向气动执行机构输送空气信号来控制阀门位置的装置。

其与气动调节阀配套使用,构成闭环控制回路。把控制系统给出的直流电流信号转换成驱动调节阀的气信号,控制调节阀的动作。同时根据调节阀的开度进行反馈,使阀门位置能够按系统输出的控制信号进行正确定位。
(三)主要功能
电气阀门、气动阀门定位器与气动执行机构共同构成自控单元和各种调节阀连接经过调试安装后,组合成气动调节阀。用于各种工业自动化过程控制领域当中。
3电气阀门定位器
由于现在DCS在现场使用越来越多,很多控制器都是使用了中控系统的控制器,所以中控到现场的都是4-20mA的电信号,到现场又需要阀动作的比较快。
虽然阀门定位器由最初的气/气阀门定位器、电/气阀门定位器发展到现在的数字阀门定位器、区域总线阀门定位器,但它们的基本原理和主要功能都没有大的改变。
(一)定位器中基本自控元件介绍
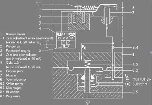
电/气转换器原理随着仪表技术的发展,气动仪表领域已逐步被电动仪表和计算机控制所占领,现在只有在一些特殊的场合还在使用气动仪表,作为仪表中的阀门附件“定位器”也由原来的气动阀门(P/P)定位器逐步由电/气(E/P)阀门定位器所代替。那么在电/气阀门定位器中输入的电信号是如何转换成气信号的呢?我们以SAMSON6111型电/气转换器为例介绍一下它的工作原理(见图1):

气动功率放大器(8)在设计时;选用合适的弹簧力(8.2),使当输入信号为0mA时保持输出PA在100mbar,这样输出的压力通过恒节流孔(8.4)使喷嘴(7)内有一定的背压。
当输入的信号增加时;通电的线圈(2)切割永久磁铁(3)的磁力线,产生向上的力→挡板(6)靠近喷嘴(7)使背压(PK)增加→膜片(8.3)↓→打开阀芯(8.5)→输出PA↑。当输入信号减少时;挡板(6)离开喷嘴(7)→背压(PK)减少→输出压力(PA)作用下膜片(8.3)↑→阀芯(8.5)关死→输出压力通过阀芯(8.5)释放。当PA同PK平衡时输出压力保持不变;这时电信号在线圈(2)中产生的力也同背压(PK)取得平衡。这样输入的电信号就转换成气信号了。
(二)定位器的组成
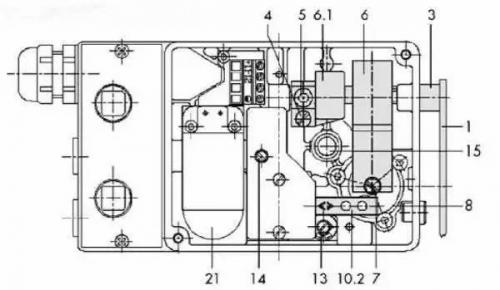
以SAMSON的4763电/气阀门定位器(图1A)为例,定位器主要组成部分见图2。

气动及电气阀门常见结构及原理
1.反馈杆(1)2.反馈弹簧(6)3.反馈风箱(7)4.气动功率放大器(7下部)5.电/气转换器(21)
(三)定位器工作原理
1.模拟定位器我们还是以SAMSON的4763定位器为例(参考图3)。我们设:调节阀为FC(气开);定位器为正作用
A)阀位根据输入信号成比例动作
输入信号↑→Pe点气压↑→反馈风箱中连杆(9)向左动作→压紧弹簧(6),挡板(10.2)靠近喷嘴(10.1)→输出风压↑→阀杆(对于气开阀)↑→压紧弹簧(6)→反馈风箱中连杆(9)向右动作→挡板(10.2)离开喷嘴(10.1)→输出气压(Pst)↓。当反馈弹簧的力与反馈风箱的力平衡时,阀位保持与输入信号对应的位置。
B)定位
当输入信号不变时:
由于工艺条件变化导致阀杆↑→压紧执行器弹簧→压紧弹簧(6)→反馈风箱中连杆(9)向右动作→挡板(10.2)离开喷嘴(10.1)→输出气压↓→由执行器向下的弹簧力使阀位回到原来的地方。
由于工艺条件变化导致阀杆↓→放松执行器弹簧→放松弹簧(6)→反馈风箱中连杆(9)向左动作→挡板(10.2)靠近喷嘴(10.1)→输出气压↑→使执行器向上运动使阀位回到原来的地方。
(四)调试
调至零点时给调节阀输入电流信号(一般为4mA),如若阀位指针指示不在零位上,打开阀门定位器,缓慢调节调零旋钮,使阀位指针指示零位。调节量程时,调节定值器使其输出值达到阀门所需的气源压力值。零位调准以后,分别给调节阀输入8mA、12mA、16mA和20mA信号,阀位指针应分别指向25%、50%、75%和100%。如果指示不准确,可微调节调零旋钮,便能指示准确。如果效果仍不太好,那就是行程量不足,松动量程调节锁紧螺钉,并转动量程调节螺钉,调节结束后拧紧锁紧螺钉。通过反复调整零点和量程,使执行机构的行程在公差范围内。
(五)故障总结
1.阀门定位器有输入信号但是没有输出信号。
(1)电磁铁组件发生故障,建议换电磁铁组件。
(2)供气压力不对,建议检查气源压力。
(3)气动放大器挡板零点调节过高,挡板远离喷嘴。
(4)气路堵塞。
(5)气路连接有误(包括放大器)。
(6)电/气定位器输入信号线正负极接反。
2.阀门定位器没有输入信号但是输出信号一直最大。
(1)气动放大器挡板零点调节过低,挡板过于压紧喷嘴。
(2)喷嘴堵塞。
(3)输出压力缓慢或不正常。
会导致调节阀的膜头受损、漏气,造成有输入信号但调节阀动作缓慢的故障,使调节阀达不到及时调节的效果,处理办法检查膜室,更换膜片。
3.定位器线性不好
(1)反馈凸轮或弹簧选择不当或者方向不对。(2)反馈连杆机构安装不好或者在某些位置有卡住的现象。(3)喷嘴或挡板有异物。(4)背压有轻微泄漏现象。
(六)结语
为阀门定位器提供的压缩空气必须是经过过滤器清洁的空气。工作中拆卸的部件,在调节结束后一定要正确的固定。注意不要使磁性装置受到震动或对其施加过大的力,这样会使零件受损,工作性能降低。应尽量减少拆卸喷嘴挡板装置的次数。
关键词:电气阀门,